2Т974Б
Транзисторы 2Т974Б кремниевые эпитаксиально-планарные структуры p-n-p универсальные.
Предназначены для применения в импульсных и линейных устройствах и преобразователях.
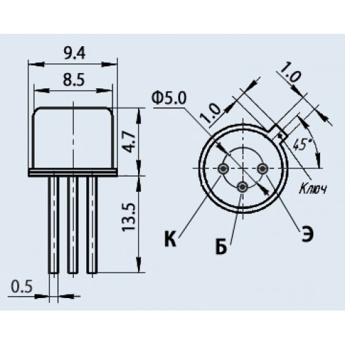
Выпускаются в металлостеклянном корпусе с гибкими выводами.
Тип прибора указывается на корпусе.
Масса транзистора не более 1,5 г.
Тип корпуса: КТ-2-7.
Технические условия: аА0.339.287 ТУ.
Транзисторы 2Т974Б кремниевые эпитаксиально-планарные структуры p-n-p универсальные.
Предназначены для применения в импульсных и линейных устройствах и преобразователях.
Выпускаются в металлостеклянном корпусе с гибкими выводами.
Тип прибора указывается на корпусе.
Масса транзистора не более 1,5 г.
Тип корпуса: КТ-2-7.
Технические условия: аА0.339.287 ТУ.

8-996-24-24-666